1995 monte carlo wiring diagram

3400 V6 Engine Coolant Diagram - Wiring Diagram Networks we have 9 Images about 3400 V6 Engine Coolant Diagram - Wiring Diagram Networks like 1995 Chevrolet Monte Carlo SS Complete Wiring Diagram Part 1, Only Starts When It Wants: I Have a 95 Monte Carlo, Sometimes It and also 3400 V6 Engine Coolant Diagram - Wiring Diagram Networks. Read more:

3400 V6 Engine Coolant Diagram - Wiring Diagram Networks

3400 V6 Engine Coolant Diagram - Wiring Diagram Networks kelvin-okl.blogspot.com

coolant venture sfi oldsmobile

1994 Ford Econoline Radio Wiring Diagram

1994 Ford Econoline Radio Wiring Diagram cuasinoticias-viajes.blogspot.com

econoline

1995 Vw Golf Wiring Diagrams

1995 Vw Golf Wiring Diagrams cuasinoticias-viajes.blogspot.com

vanagon eurovan jetta layout transporter cabby

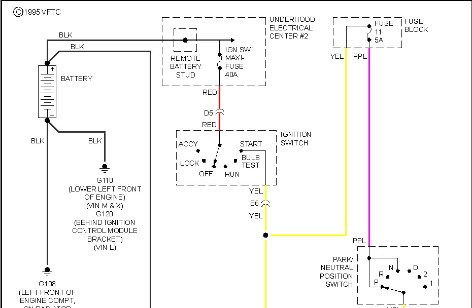
1995 Chevrolet Monte Carlo SS Complete Wiring Diagram Part 1

1995 Chevrolet Monte Carlo SS Complete Wiring Diagram Part 1 wiringdiagramsolutions.blogspot.com

wiring monte carlo diagram ss 1995 chevrolet complete diagrams

1987 Monte Carlo Ss Rear Tail Light Wiring

1987 Monte Carlo Ss Rear Tail Light Wiring cuasinoticias-futbol.blogspot.com

carlo monte rear ss wiring

Only Starts When It Wants: I Have A 95 Monte Carlo, Sometimes It

Only Starts When It Wants: I Have a 95 Monte Carlo, Sometimes It www.2carpros.com

starts wants monte carlo enlarge 1995

2000 Camaro 3800 Series 2 Engine Diagram L36 / 3 8 Buick Engine Diagram

2000 Camaro 3800 Series 2 Engine Diagram L36 / 3 8 Buick Engine Diagram rojerback.blogspot.com

engine firebird imageservice epc l32

1995 Jeep Grand Cherokee L - Wiring Diagram | Schematic Wiring Diagrams

1995 Jeep Grand Cherokee L - Wiring Diagram | Schematic Wiring Diagrams wiringdiagramsolutions.blogspot.com

cherokee wiring jeep diagram grand 1995 radio 2002 wire instrument cluster diagrams harness j10 circuit laredo 1996 schematic ac 2004

Chevy Wire Harnes 1995 - Wiring Diagram

Chevy Wire Harnes 1995 - Wiring Diagram cars-trucks24.blogspot.com

chevy wire s10 blazer radio harnes 1995 wiring harness gmc dash install kit diagram

Engine firebird imageservice epc l32. Chevy wire harnes 1995. 1987 monte carlo ss rear tail light wiring