1995 toyota corolla dx fuse diagram

29 1995 Toyota Camry Parts Diagram - Wiring Database 2020 we have 6 Pics about 29 1995 Toyota Camry Parts Diagram - Wiring Database 2020 like 29 1995 Toyota Camry Parts Diagram - Wiring Database 2020, 1989 Toyota V6 Vacuum Diagram and also Wiring Diagram PDF: 2002 Prizm Wiring Diagram. Here you go:

29 1995 Toyota Camry Parts Diagram - Wiring Database 2020

29 1995 Toyota Camry Parts Diagram - Wiring Database 2020 rachelleogyaz.blogspot.com

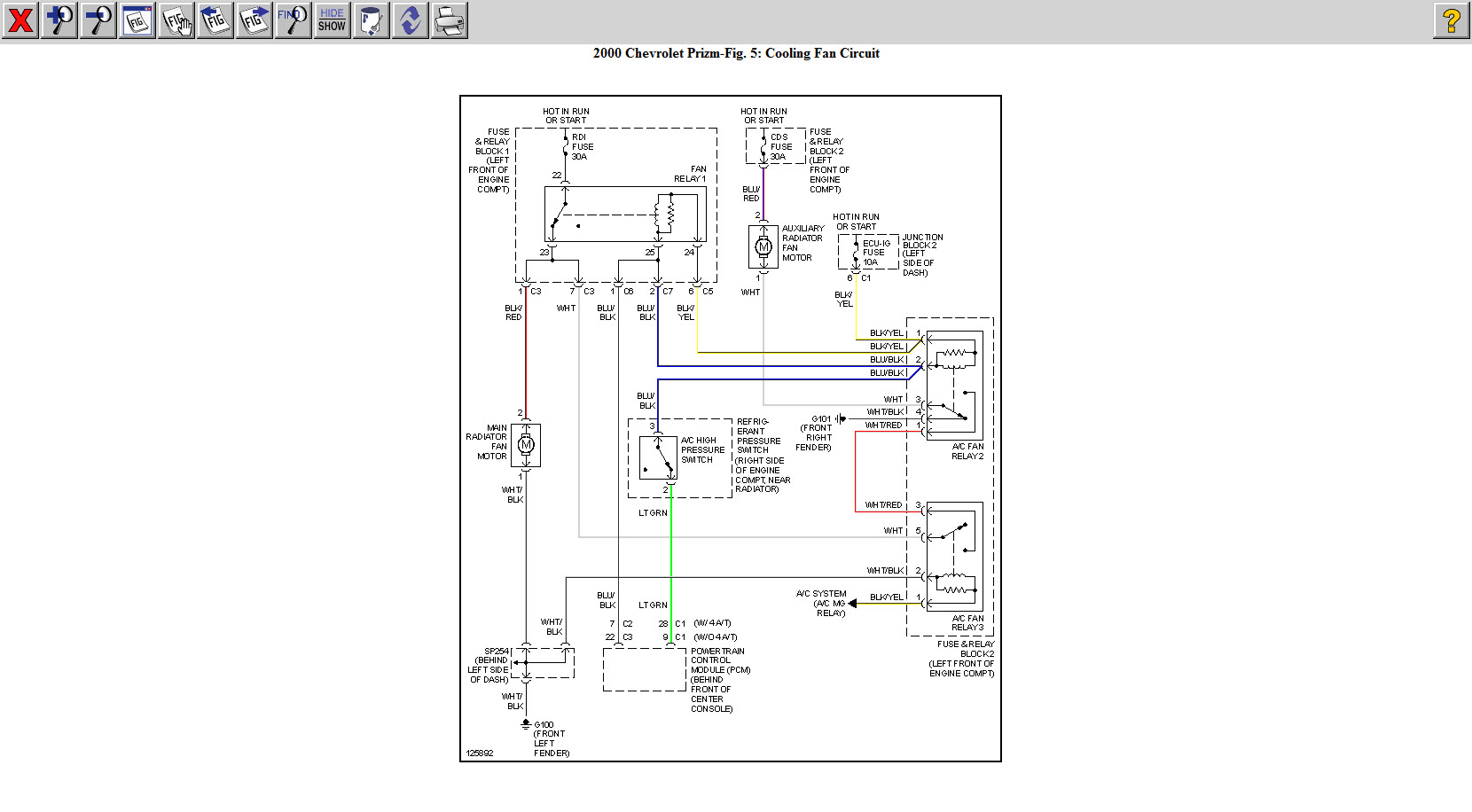
Wiring Diagram PDF: 2002 Prizm Wiring Diagram

Wiring Diagram PDF: 2002 Prizm Wiring Diagram wiring-pdf.blogspot.com

prizm

1994 Toyota Corolla Starting Circuit: Electrical Problem 1994

1994 Toyota Corolla Starting Circuit: Electrical Problem 1994 www.2carpros.com

1994 corolla toyota circuit starting

1989 Toyota V6 Vacuum Diagram

1989 Toyota V6 Vacuum Diagram sirdarkheart.blogspot.com

3vze yotatech

[DIAGRAM] 2012 Mitsubishi Outlander User Wiring Diagram

[DIAGRAM] 2012 Mitsubishi Outlander User Wiring Diagram itp.autonut.ru

diagram wiring mitsubishi outlander radio sport

Corolla Fuse Box - Wiring Diagram

Corolla Fuse Box - Wiring Diagram cars-trucks24.blogspot.com

1989 toyota v6 vacuum diagram. 1994 corolla toyota circuit starting. [diagram] 2012 mitsubishi outlander user wiring diagram