1996 acura integra wiring diagram

Acura Fuel Pump Diagram - Wiring Diagram Networks we have 9 Pictures about Acura Fuel Pump Diagram - Wiring Diagram Networks like I have a 1996 acura integra ls special edition. the passenger side, Acura Integra (1993) - wiring diagrams - map lamp - Carknowledge.info and also Acura Fuel Pump Diagram - Wiring Diagram Networks. Here it is:

Acura Fuel Pump Diagram - Wiring Diagram Networks

Acura Fuel Pump Diagram - Wiring Diagram Networks kelvin-okl.blogspot.com

fuel pump acura diagram occasional injectors idle rough mdx suspected wiring

I Have A 1996 Acura Integra Ls Special Edition. The Passenger Side

I have a 1996 acura integra ls special edition. the passenger side www.justanswer.com

integra acura ls 1996 window passenger side ase mechanic mohr tim tech master

1993 Honda Civic Headlight Wiring Diagram

1993 honda civic headlight wiring diagram kevthemogul.blogspot.com

ignition retrofit edm harness xw

Remote Keyless Entry System + 4 Door Power Lock Heavy Duty Actuator

Remote Keyless Entry System + 4 Door Power Lock Heavy Duty Actuator www.ebay.com

diagram lock door entry keyless actuator wiring power remote fai system kit duty heavy motor vehicle

[DIAGRAM] Secret Diagram September 2016 Wiring Diagram FULL Version HD

[DIAGRAM] Secret Diagram September 2016 Wiring Diagram FULL Version HD rosherun99.fr

ba5 prelude autoflip relay

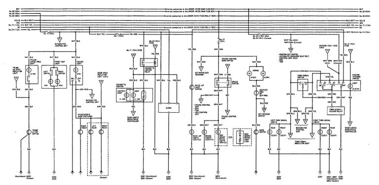
Acura Integra (1993) - Wiring Diagrams - Map Lamp - Carknowledge.info

Acura Integra (1993) - wiring diagrams - map lamp - Carknowledge.info www.carknowledge.info

integra carknowledge

Acura Fuel Pump Diagram - Wiring Diagram Networks

Acura Fuel Pump Diagram - Wiring Diagram Networks kelvin-okl.blogspot.com

acura fuel pump rl diagram 2000

1993 Acura Integra Power Windows: Electrical Problem 1993 Acura

1993 Acura Integra Power Windows: Electrical Problem 1993 Acura www.2carpros.com

power acura 1993 integra windows window wiring schematic 2carpros

[XR_7119] Acura Alternator Wiring Diagram Schematic Wiring

[XR_7119] Acura Alternator Wiring Diagram Schematic Wiring cular.phon.renstra.fr09.org

acura alternator mdx fuse solenoid

[diagram] secret diagram september 2016 wiring diagram full version hd. Power acura 1993 integra windows window wiring schematic 2carpros. Acura fuel pump diagram