1996 volvo 850 wiring harness

Volvo 850 (1995) - wiring diagrams - retained accessory power we have 9 Pictures about Volvo 850 (1995) - wiring diagrams - retained accessory power like Volvo 850 Wiring harness - 3545869 | Volvo Cars Mall of Georgia, Buford GA, 96 Vw Golf Alternator Wiring Diagram - Wiring Diagram Networks and also 61A-85510-02-00 Yamaha 1999-01 Stator, Rectifier & Coil 200 225 250 HP. Read more:

Volvo 850 (1995) - Wiring Diagrams - Retained Accessory Power

Volvo 850 (1995) - wiring diagrams - retained accessory power www.carknowledge.info

retained wiring

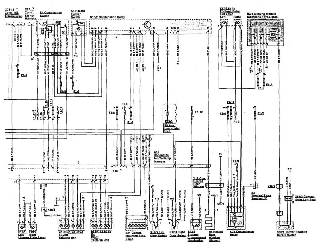
Mercedes-Benz 300SL (1990 - 1993) - Wiring Diagrams - Horn

Mercedes-Benz 300SL (1990 - 1993) - wiring diagrams - horn www.carknowledge.info

500sl 300sl thunderbird fuse carknowledge mercede

96 Vw Golf Alternator Wiring Diagram - Wiring Diagram Networks

96 Vw Golf Alternator Wiring Diagram - Wiring Diagram Networks kelvin-okl.blogspot.com

wiring coil ignition diagram vw alternator 1973 bus plug distributor marinco golf electronic schematic bosch resistance porsche inside positive choke

Volvo 850 Wiring Harness - 3545869 | Volvo Cars Mall Of Georgia, Buford GA

Volvo 850 Wiring harness - 3545869 | Volvo Cars Mall of Georgia, Buford GA parts.volvocarsmallofgeorgia.com

wiring

1996 Kenworth W900 Wiring Schematic - Wiring Diagram Schemas

1996 Kenworth W900 Wiring Schematic - Wiring Diagram Schemas wiringschemas.blogspot.com

t800 t600 w900

61A-85510-02-00 Yamaha 1999-01 Stator, Rectifier & Coil 200 225 250 HP

61A-85510-02-00 Yamaha 1999-01 Stator, Rectifier & Coil 200 225 250 HP www.southcentraloutboards.com

yamaha hp evinrude cable johnson 2007 suredone usd sku

Mercedes-Benz 300SE (1990 - 1991) - Wiring Diagrams - Antenna

Mercedes-Benz 300SE (1990 - 1991) - wiring diagrams - antenna www.carknowledge.info

300se carknowledge diagram

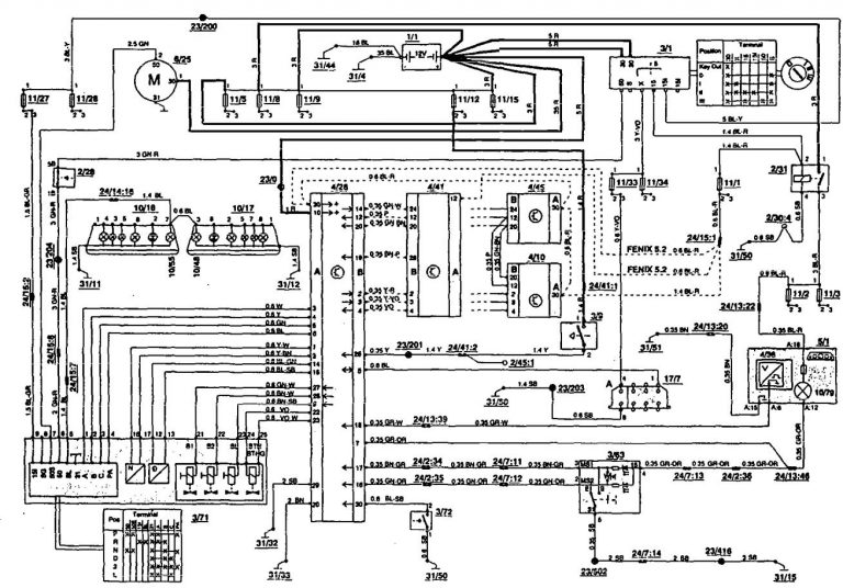
Volvo 850 Turbo, T-5 And T-5R System Wiring Diagrams

Volvo 850 turbo, T-5 and T-5R system wiring diagrams www.volvotips.com

volvo 850 wiring turbo diagram 5r system diagrams t5 c70 v70 s70

Volvo 850 (1993) - Wiring Diagrams - Transmission Controls

Volvo 850 (1993) - wiring diagrams - transmission controls www.carknowledge.info

carknowledge diagram

96 vw golf alternator wiring diagram. Retained wiring. 1996 kenworth w900 wiring schematic