1997 c280 wiring diagram

Mercedes-Benz C280 (1994 - 1997) - wiring diagrams - seat belt warning we have 9 Images about Mercedes-Benz C280 (1994 - 1997) - wiring diagrams - seat belt warning like Mercedes-Benz C280 (1994 - 1997) - wiring diagrams - seat belt warning, Mercedes-Benz C280 (1994 - 1997) - wiring diagrams - instrumentation and also I have a 1995 Mercedes C280 1.5L engine The wiring to the Mas Air Flow. Here it is:

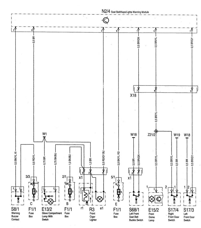
Mercedes-Benz C280 (1994 - 1997) - Wiring Diagrams - Seat Belt Warning

Mercedes-Benz C280 (1994 - 1997) - wiring diagrams - seat belt warning www.carknowledge.info

c280 carknowledge

I Have A 1995 Mercedes C280 1.5L Engine The Wiring To The Mas Air Flow

I have a 1995 Mercedes C280 1.5L engine The wiring to the Mas Air Flow www.justanswer.com

mercedes c280 1995 diagram wiring engine sensor air flow mass mas connector need

[DIAGRAM] 1958 Mercedes Wiring Diagram FULL Version HD Quality Wiring

[DIAGRAM] 1958 Mercedes Wiring Diagram FULL Version HD Quality Wiring mechanicalwiring6457.amicalelaiquestrenan.fr

sunnybrook diagrams sprinter e200 flasher

Mercedes-Benz C280 (1994 - 1997) - Wiring Diagrams - Instrumentation

Mercedes-Benz C280 (1994 - 1997) - wiring diagrams - instrumentation www.carknowledge.info

wiring mercedes c220 diagram instrumentation benz c280 1994 1996 diagrams carknowledge info 1997

Mercedes-Benz C280 (1994 - 1997) - Wiring Diagrams - Instrumentation

Mercedes-Benz C280 (1994 - 1997) - wiring diagrams - instrumentation www.carknowledge.info

instrumentation c280 carknowledge

Mercedes C280 Fuse Box Diagram | Wiring Library

Mercedes C280 Fuse Box Diagram | Wiring Library 21.skriptoase.de

fuse fuses w163 w203 benzworld ml430 ml320 ets c280 c320 mbworld u2022 heathersmith outputs

[DIAGRAM] 2006 Mercedes C280 Engine Diagram FULL Version HD Quality

[DIAGRAM] 2006 Mercedes C280 Engine Diagram FULL Version HD Quality wiringpdf.lacolombaiagriturismo.it

c280 w202

I Have A 1995 Mercedes C280 1.5L Engine The Wiring To The Mas Air Flow

I have a 1995 Mercedes C280 1.5L engine The wiring to the Mas Air Flow www.justanswer.com

mercedes c280 wiring 1995 diagram air flow sensor justanswer mas engine mass

Mercedes Benz B Class Fuse Box - Auto Electrical Wiring Diagram

Mercedes Benz B Class Fuse Box - Auto Electrical Wiring Diagram zhuravlova.me

ml430 fuse schematic schematics 190d

I have a 1995 mercedes c280 1.5l engine the wiring to the mas air flow. I have a 1995 mercedes c280 1.5l engine the wiring to the mas air flow. Mercedes c280 wiring 1995 diagram air flow sensor justanswer mas engine mass