1998 acura slx wiring diagram

1997 Acura Slx Fuse Box Location - Cars Wiring Diagram Blog we have 9 Pics about 1997 Acura Slx Fuse Box Location - Cars Wiring Diagram Blog like Acura SLX (1997 - 1999) - wiring diagrams - fuse box diagram, Acura Integra Wiring Diagram - Id Walk A Mile For A Resume Sample and also 1997 Acura Slx Fuse Box Location - Cars Wiring Diagram Blog. Here it is:

1997 Acura Slx Fuse Box Location - Cars Wiring Diagram Blog

1997 Acura Slx Fuse Box Location - Cars Wiring Diagram Blog wiringdiagram-blog.blogspot.com

rl slx

Remote Keyless Entry System + 4 Door Power Lock Heavy Duty Actuator

Remote Keyless Entry System + 4 Door Power Lock Heavy Duty Actuator www.ebay.com

diagram lock door entry keyless actuator wiring power remote fai system kit duty heavy motor vehicle

Wiring Diagram PDF: 2003 Acura Tl Stereo Wiring

Wiring Diagram PDF: 2003 Acura Tl Stereo Wiring wiring-pdf.blogspot.com

acura crutchfield vidalondon mats

1983 Chevy Silverado Wiring Diagram FULL HD Quality Version Wiring

1983 Chevy Silverado Wiring Diagram FULL HD Quality Version Wiring lark-diagram.versionunique.fr

diagrams worldvisionsummerfest

Remote Car Alarm Keyless Entry Security + 4 Door Power Lock Actuator

Remote Car Alarm Keyless Entry Security + 4 Door Power Lock Actuator www.ebay.co.uk

wiring diagram viper crimestopper lock door alarm remote sp 5305v central actuator locking power keyless entry security fai motor kit

Acura Integra Wiring Diagram - Id Walk A Mile For A Resume Sample

Acura Integra Wiring Diagram - Id Walk A Mile For A Resume Sample gka-orki1.blogspot.com

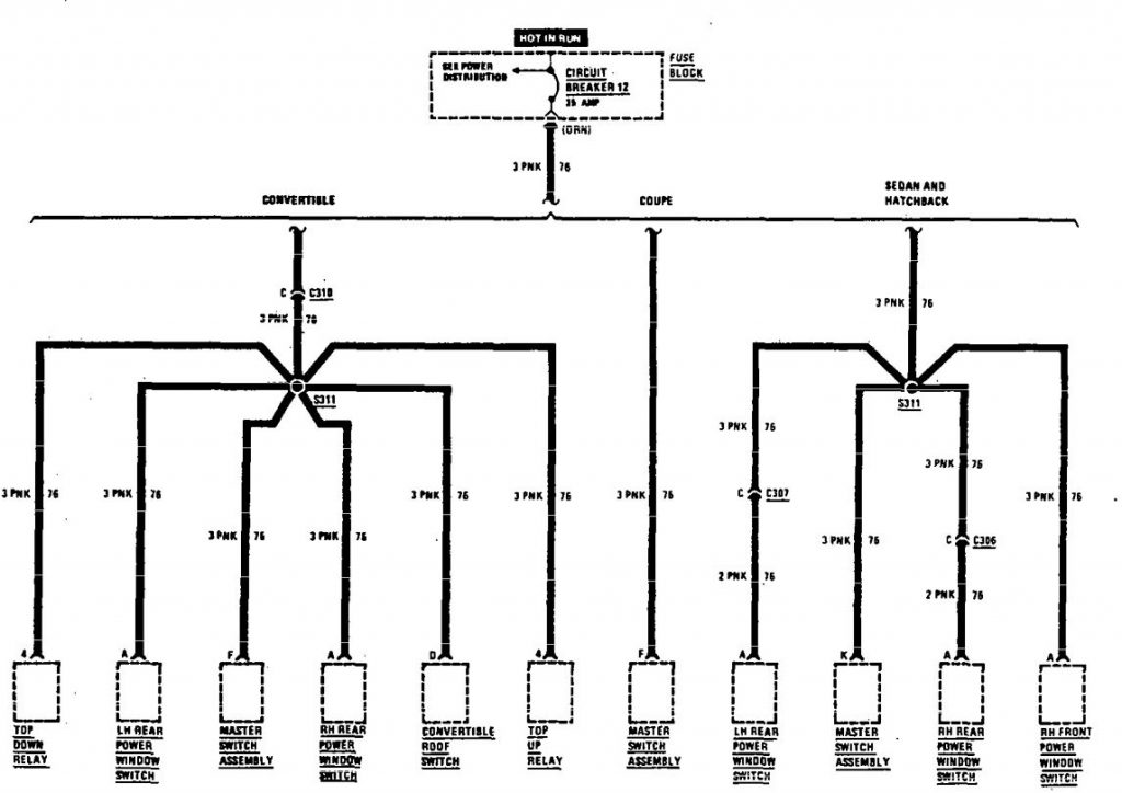
Acura SLX (1997 - 1999) - Wiring Diagrams - Fuse Box Diagram

Acura SLX (1997 - 1999) - wiring diagrams - fuse box diagram www.carknowledge.info

2000 Acura Rl Wiring Diagram - Wiring Diagram

2000 Acura Rl Wiring Diagram - Wiring Diagram alohagrace.blogspot.com

acura rl wiring diagram fuse 2000 diagrams 2004 panel compartment passenger 2003 carknowledge info wrg

56 2004 Acura Mdx Radio Wiring Diagram - Wiring Diagram Harness

56 2004 Acura Mdx Radio Wiring Diagram - Wiring Diagram Harness wiringdiagramharnessideas.blogspot.com

mdx wiring

56 2004 acura mdx radio wiring diagram. Rl slx. Acura rl wiring diagram fuse 2000 diagrams 2004 panel compartment passenger 2003 carknowledge info wrg