1998 h1 ignition wiring

[21+] Ignition Switch Wiring Passlock Bypass Diagram we have 9 Pics about [21+] Ignition Switch Wiring Passlock Bypass Diagram like [21+] Ignition Switch Wiring Passlock Bypass Diagram, Wiring Jk Harnes Wrangler 48011598ac - Wiring Diagram Schemas and also Ignition Switch Lock Gas Cap Set Lock Key For Honda CB600F Hornet 600. Here it is:

[21+] Ignition Switch Wiring Passlock Bypass Diagram

[21+] Ignition Switch Wiring Passlock Bypass Diagram videos8787yh.blogspot.com

passlock bypass modifying disassembly

Wiring Diagram PDF: 2002 Hyundai Elantra Headlight Wiring Diagram

Wiring Diagram PDF: 2002 Hyundai Elantra Headlight Wiring Diagram wiring-pdf.blogspot.com

wiring hyundai diagram santa fe radio pdf

Wiring Jk Harnes Wrangler 48011598ac - Wiring Diagram Schemas

Wiring Jk Harnes Wrangler 48011598ac - Wiring Diagram Schemas wiringschemas.blogspot.com

Kawasaki KLX250E2 1994 EUROPE NL AR FG GR IT Parts Lists And Schematics

Kawasaki KLX250E2 1994 EUROPE NL AR FG GR IT parts lists and schematics www.cmsnl.com

fg kawasaki 1994 ar gr nl europe ignition switch parts

Mercedes Benz Slk Headlight | Cheap Replacement Headlight Car Parts

Mercedes Benz Slk Headlight | Cheap Replacement Headlight Car Parts www.morepartz.co.uk

slk

Kawasaki Vulcan 800 Ignition Wiring Diagram - Wiring Diagram Schemas

Kawasaki Vulcan 800 Ignition Wiring Diagram - Wiring Diagram Schemas wiringschemas.blogspot.com

vulcan

[21+] Ignition Switch Wiring Passlock Bypass Diagram

[21+] Ignition Switch Wiring Passlock Bypass Diagram videos8787yh.blogspot.com

diagrams passlock

Ignition Switch Lock Gas Cap Set Lock Key For Honda CB600F Hornet 600

Ignition Switch Lock Gas Cap Set Lock Key For Honda CB600F Hornet 600 www.ebay.com

cb600f

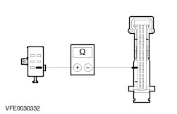
Ford Workshop Manuals > Focus 1999 (08.1998-12.2004) > Mechanical

Ford Workshop Manuals > Focus 1999 (08.1998-12.2004) > Mechanical workshop-manuals.com

manuals workshop ford climate control system repairs diagnosis mechanical operation testing 1998 electrical 1999 focus 2004 general circuit between

Passlock bypass modifying disassembly. Mercedes benz slk headlight. Kawasaki klx250e2 1994 europe nl ar fg gr it parts lists and schematics