1998 lincoln town car wiring diagrams

94 Lincoln Continental Wiring Diagram - Wiring Diagram Networks we have 9 Images about 94 Lincoln Continental Wiring Diagram - Wiring Diagram Networks like 98 Lincoln Navigator Fuse Diagram, 98 Town Car Wiring Diagram and Lincoln Town Car Engine Diagram and also 98 Lincoln Navigator Fuse Diagram. Here you go:

94 Lincoln Continental Wiring Diagram - Wiring Diagram Networks

94 Lincoln Continental Wiring Diagram - Wiring Diagram Networks kelvin-okl.blogspot.com

fuel lincoln town diagram wiring pump relay continental ford pomping stoped recently battery wire

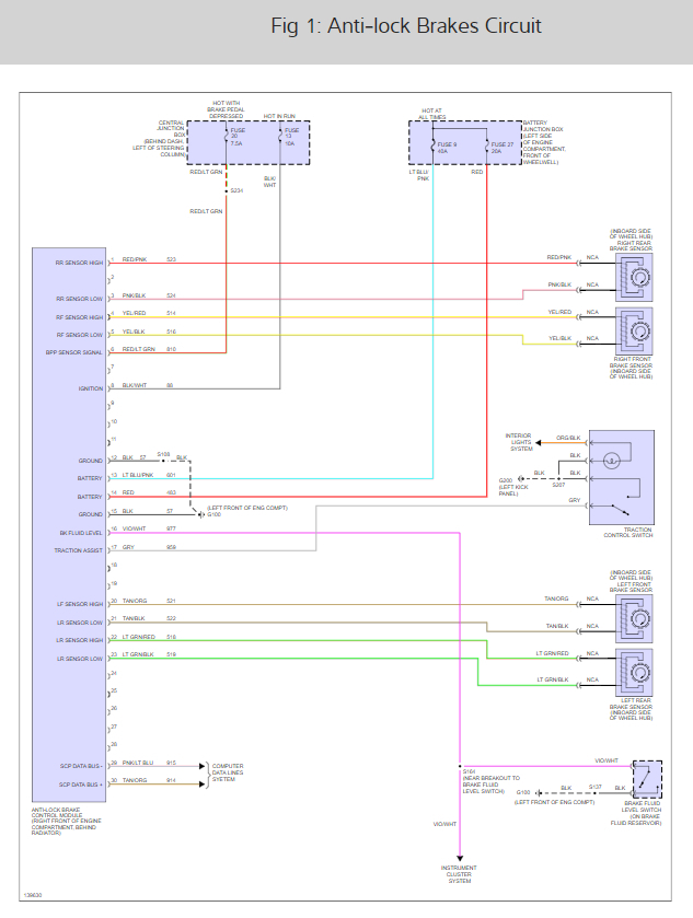
File: Free Lincoln Wiring Diagram 2005

File: Free Lincoln Wiring Diagram 2005 vattenskotersafari.se

Instrument Cluster Problems: 2001 LINCOLN TOWN CAR 72,000 Miles,

Instrument Cluster Problems: 2001 LINCOLN TOWN CAR 72,000 Miles, www.2carpros.com

cluster instrument lincoln town problems enlarge 2001

1997 Lincoln Town Car Air Suspension Compressor Location

1997 Lincoln Town Car Air Suspension Compressor Location fietlan.blogspot.com

town lincoln 1997 ride suspension air sedan 4d specs cardomain compressor location signature follow

2001 Lincoln Town Car Fuse Diagram - Wiring Forums

2001 Lincoln Town Car Fuse Diagram - Wiring Forums wiringforums.com

fuse diagram lincoln town box 2001 ls wiring 1998 2000 2002 crownvic 1996 2006 block fuses 2007 panel 1985 diagrams

Sportster Engine Diagram | My Wiring DIagram

Sportster Engine Diagram | My Wiring DIagram detoxicrecenze.com

sportster diagram wiring engine harley iron davidson schematic wire line sport open diagrams

2003 Lincoln Town Car Fuse Box Diagram / 2003 Lincoln Town Car Fuse Box

2003 Lincoln Town Car Fuse Box Diagram / 2003 Lincoln Town Car Fuse Box diyonline79.blogspot.com

navigator 1989 fuses imageservice curlybobhairstyles harness 2004 diagrams

98 Town Car Wiring Diagram And Lincoln Town Car Engine Diagram

98 Town Car Wiring Diagram and Lincoln Town Car Engine Diagram www.pinterest.com

ls navigator towncar wiringg v8 g3033 lincon diyparty99

98 Lincoln Navigator Fuse Diagram

98 Lincoln Navigator Fuse Diagram stampidoe.blogspot.com

navigator cotinental

Fuse diagram lincoln town box 2001 ls wiring 1998 2000 2002 crownvic 1996 2006 block fuses 2007 panel 1985 diagrams. Cluster instrument lincoln town problems enlarge 2001. 2003 lincoln town car fuse box diagram / 2003 lincoln town car fuse box